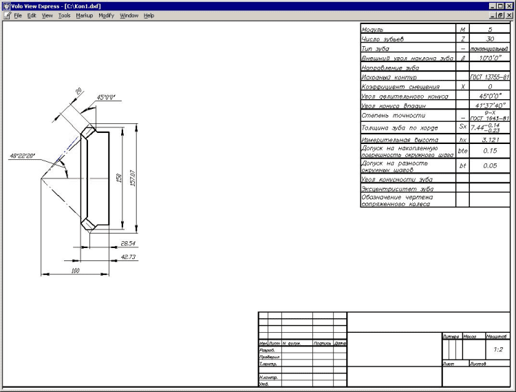
Редуктор - это программа предназначена для расчёта зубчатых и червячных передач, а также: - для геометрического и прочностного расчёта зубчатых конических и цилиндрических передач внутреннего и внешнего зацепления с автоматическим подбором зуборезного инструмента - для расчёта и составления чертёжной таблицы с последующим черчением зубчатых колёс и сохранением результата в DXF-файле. С помощью программы можно рассчитать геометрию червячных передач (цилиндрических и глобоидных).

Редуктор
Рейтинг:
Лицензия:
Бесплатно
Версия:1.0
Дата обновления:29 марта 2025 г. 3:00
Платформа ОС:Windows 11, 10, 8.1, 8, 7, …
Язык:Русский, Английский
Разработчик:
Виктор Медведев
Размер:9.77 МБ
Загрузок:0